3-mtr.info
FM Transmitters Archive
Index
shareware
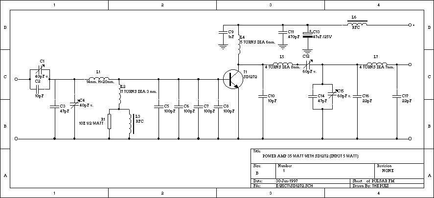
Amplifier 35Watt (SD1272)
File
Size
Last Modified
sd1272.gif
11.59 KB
Jan 9th 2013 at 7:05pm