3-mtr.info
FM Transmitters Archive
Index
shareware
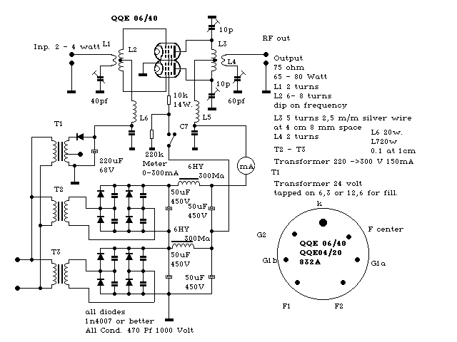
Amplifier 80Watt (QQE0640)
File
Size
Last Modified
Qqe0640.gif
9.31 KB
Jan 9th 2013 at 7:06pm