3-mtr.info
FM Transmitters Archive
Index
shareware
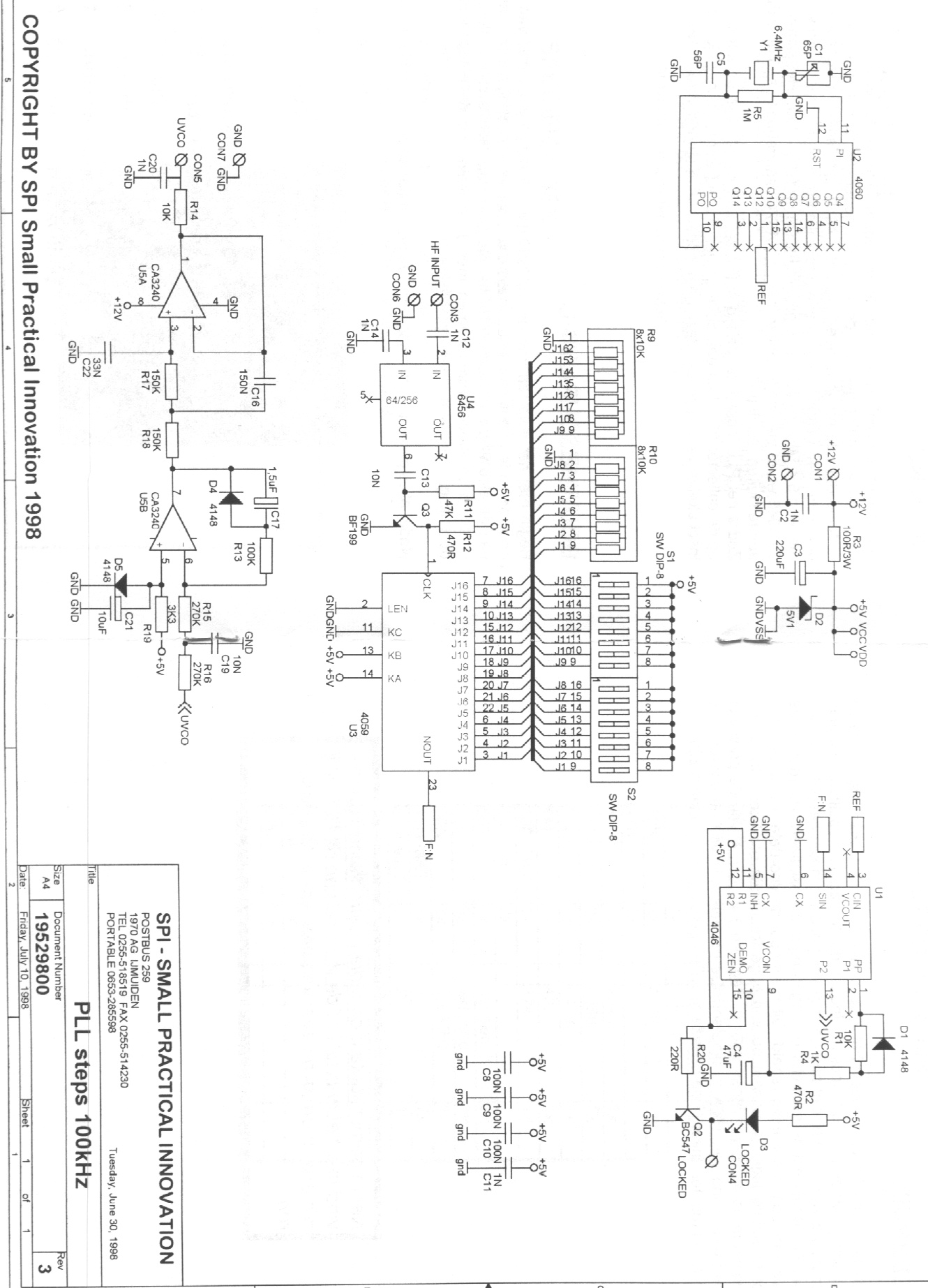
SPI PLL
File
Size
Last Modified
PLL_schakeling-gebouwd.jpg
36.4 KB
Jan 9th 2013 at 7:11pm
SPI PLL Schematic.jpg
430.56 KB
Jan 9th 2013 at 7:11pm
SPI PLL SilkScreen.jpg
305.45 KB
Jan 9th 2013 at 7:11pm